The special pressure regulating valve group for the laser cutting industry features reliable sealing




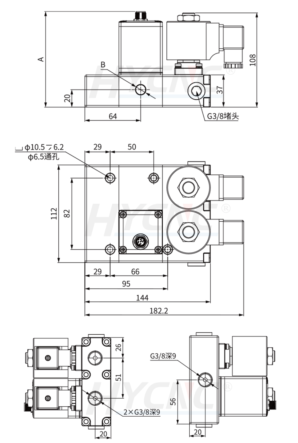
8. The valve body is made by precision die-casting process, with a large flow design and a protection grade of IP65.








This is a normally closed two-way valve. When not powered, it is in a normally closed state. The junction box is connected to power (regardless of positive or negative poles), and a voltage of 24VDC ± 10% is applied. The solenoid valve opens, and fluid passes through the flow channel.